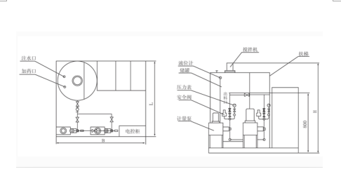
Integrated dosing device
The dosing device is a complete system designed to inject chemical solutions into various processes. It enables the precise addition of both solid and liquid chemicals. The system features a metering pump as the primary dosing equipment and integrates various components such as a solution tank, agitator, level gauge, safety valve, check valve, pressure gauge, filter, buffer, piping, valves, base, ladder, automatic monitoring system, and electrical control system into a skid-mounted unit.